Skip to main content

Structuren

Profielen en staven

De profielen worden geklasseerd onder de lange producten, zijnde de producten die één afmeting vertonen die opmerkelijk groter is dan de andere twee afmetingen die de doorsnede bepalen. Profielen verkrijgen hun vorm (I, H, U, …) door het walsen onder hoge temperatuur. Ze worden genoemd naar hun doorsnedevorm.

I-profiel

IPE Europees I profiel
IPN Standaard Europees profiel

IPE profiel. Profiel met evenwijdige flenzen, met constante dikte. Vallen door gelijkwaardige mechanische kenmerken lichter uit dan IPN profielen en laten gemakkelijker verbindingen toe.
Het IPN profiel onderscheidt zich van het IPE profiel door zijn schuine flenzen.

staal-acier-profiles-profiel-1

H-profiel

HE Europees breedflensprofiel
HL Europees breedflensprofiel

HE profiel of breedflensprofiel. Profiel met brede evenwijdige flenzen.
HL profiel is eveneens een breedflensprofiel en heeft bredere flenzen. Deze zijn beschikbaar vanaf een bepaalde minimum hoogte.
HD profiel speciaal voor kolommen.
HP H-profielen gebruikt voor funderingstoepassingen. Zie ook damwanden.

staal-acier-profiles-profiel-2

U-profiel

UPE profiel. U-profiel met evenwijdige flenzen, met constante dikte.
Het UPN profiel onderscheidt zich van het UPE profiel door zijn schuine flenzen.
U profiel : Beschikbaar voor kleine hoogtes

staal-acier-profiles-profiel-3

L-profiel

L-profiel, ook wel gekend als winkelhaak.
Beschikbaar met gelijkbenige of ongelijkbenige zijden.

staal-acier-profiles-profiel-4

Staalkwaliteiten

Profielen zijn meestal verkrijgbaar in courante staalsoorten (aangeduid volgens norm EN10025). Naast de meest courante staalkwaliteiten zoals S235, S275 en S355 zijn de profielen eveneens te krijgen in hogesterkte staal (verbeterde kwaliteiten voor trek) en speciale legeringen zoals weervast staal.

Meer info

Cellenliggers

Cellenligger, ook wel gekend onder de naam, raatligger en Litskaligger (vooral bij 6-hoekige openingen). Deze balken bestaan in de volgende basisprofielen: IPE, HE, HL. De afmetingen van deze balken zijn variabel.

staal-acier-poutrelles-cellulaires-cellenligger-1

Het laswerk wordt uitgevoerd volgens tekening.
- Oppervlaktetoestand
- EN 10163-3:1991
- Er zijn, behalve de zeshoek, andere figuren mogelijk. (achthoek en cirkelvormig)

staal-acier-poutrelles-cellulaires-cellenligger-2

Voordelen van de cellenligger in dakconstructies:
- Optimale overspanningen van 12 tot 25 meter.
- 25 tot 30 % gewichtbesparing t.o.z. van de conventionele liggers. 
- Nemen minder ruimte in beslag.
- Kostenbesparend.

Fabricage van een cellenliggers 

Doorbranden van een normaal profiel om te komen tot een cellenligger.
staal-acier-poutrelles-cellulaires-cellenligger-3

Meer info

IFB- en SFB-liggers

Deze liggers hebben extra brede en gelaste flenzen aan de onderkant. Dit laat toe om vloerelementen gemakkelijk te plaatsen.

Integrated Floor Beams - IFB

Deze speciale balken, type A, worden gemaakt van halve IPE of HE.

Het type B onstaat dan weer door gebruik te maken van halve HP balken.

staal-acier-profiles-profiel-5

staal-acier-poutre-IFB-ligger-1

Slim Floor Beams 

Deze balken ontstaan dan weer door een bijkomende plaat aan de onderkant van een HEB of een HEM ligger te lassen.Begint bij HEB 140 en loopt tot HEB 320.

staal-acier-profiles-profiel-6

Toepassingen

staal-acier-poutre-IFB-ligger-2

Meer info

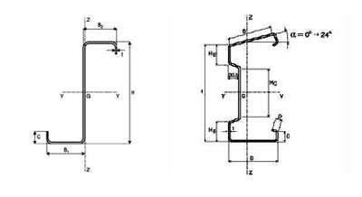
Koudgevormde profielen

Profielen vervaardigd uit vlakke staalplaat, ‘koud’-vervormd

Kenmerken van dit systeem

  • Zeer licht en dun
  • Andere geometrie dan warmgewalste profielen en doorgaans kleiner
  • Thermisch verzinkt
  • Niet lasbaar, enkel montage door bouten
  • Staalframebouw

Enkele voorbeelden van geometrie

staal-acier-profil-forme-froid-koudgevormd-1

staal-acier-profil-forme-froid-koudgevormd-2

Voordelen van dit bouwsysteem:

  • Zeer lichte constructie. De profielen kunnen door één enkele persoon gedragen worden
  • Gemakkelijk te bewerken op de werf (knippen, doorboren, …)
  • Snelle assemblage
  • Droogbouw
  • Verschillende afwerkingen mogelijk. Kan gelijken op klassieke massiefbouw

Nadelen van dit bouwsysteem:

  • Op dit ogenblik nog duurder dan andere bouwsystemen door geringe prefabricatie (systeem wordt nog niet courant gebruikt)

Opbouwprincipe

staal-acier-profil-forme-froid-koudgevormd-3

staal-acier-profil-forme-froid-koudgevormd-4

Meer info...

Staalbetonliggers en -kolommen

Hier spreken we over een balk of een vloer die samengesteld is uit één of meerdere stalen liggers en uit beton. Het geheel is zeer rigide.

Dus : twee complementaire materialen worden samengevoegd. Elk heeft zijn eigen functie

  • Beton: efficiënt onder druk
  • Staal: efficiënt onder trek

Waarom combineren?

  • Minder kans op kip of knik
  • Brandweerstand
  • Ductiel dankzij het staal
  • Bescherming tegen corrosie

Uitvoering staal-betonkolommen:

staal-acier-poutrelles-composites-composietliggers-3staal-acier-poutrelles-composites-composietliggers-2

Uitvoering staal-betonbalken:

staal-acier-poutrelles-composites-composietliggers-4

staal-acier-poutrelles-composites-composietliggers-5

Toepassingen

  • Sea’rena, Oostende
    staal-acier-poutrelles-composites-composietliggers-6
  • Gerechtsgebouw Gent
    staal-acier-poutrelles-composites-composietliggers-7

Meer info